Type some words to find content.
eg: fuse, arrestor, 00110115 technical, MCCB...
Recent searches
Tehnical support
This email address is being protected from spambots. You need JavaScript enabled to view it.

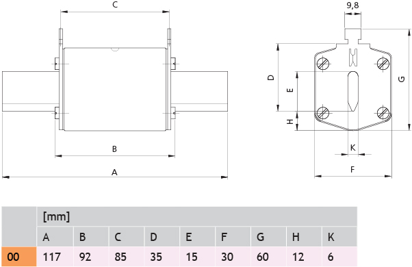
Fuse link NH00/85 gB 25A/1000V 004182475

Specifications

ETI Code:
004182475
Description:
NH00/85 gB 25A/1000V
Class name:
Fuse link
efuse:
1
Type:
NH
Size:
NH00/85
Rated current (A):
25A
Rated AC voltage (V):
1000V
Rated DC voltage (V):
1000V
Characteristics:
gB
Breaking capacity AC (kA):
25kA
Application:
For equipment protection in mining industry
Indicator:
Top fuse status indicator
Power dissipation (W):
12W
Operating joule integral (A2s):
1500
Prearcing joule integral (A2s):
250
Standards:
VDE 0636-2011

Documents

Product

EAN code for a single product
3838400061980  
Net weight of the product
350  g
Customs tariff
85361050  
logis_net_width
29  mm
logis_net_height
116  mm
logis_net_depth
60  mm

Basic packaging

Basic packaging quantity
3  
EAN code for a basic packaging
3838895695721  
Basic packaging weight
1.085  kg

Transport packaging

Transport packaging quantity
45  
EAN code for a transport packaging
3838895695738  
Transport packaging weight
16.625  kg
Pallet quantity
45  
Classification
EC000055
Class name
Low Voltage HRC fuse
Construction size
Other
Rated current
25
Rated voltage
1000
Voltage type
AC
Rated switching capacity
25
Utilization category
gB (Mining protection)
Type of fuse status indicator
Top fuse status indicator
Insulated metal gripping lugs (IMGL)
No
ETIM Classification – Version 7.0

Images & Diagrams

Accessories 1

>
>
0
Your basket is empty.